Khu công nghệ cao Long Hậu - Đà Nẵng
irv@inaba-rubber.vn
(+84)2363.795.796
日本語
TRANG CHỦ
CÔNG TY
SẢN PHẨM
TIN TỨC
TUYỂN DỤNG
LIÊN HỆ
Trang chủ
Sản phẩm
SẢN PHẨM CHÍNH
VÒNG O-RING
SẢN PHẨM ĐÚC
INASTOMER
INABALL
MÀNG DIAPHRAGM
INSERT MOLDING
ĐỆM PETAN
SẢN PHẨM KHÁC
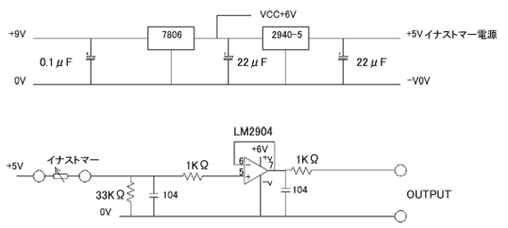
MẠCH ĐIỆN SỬ DỤNG INASTOMER
02363.795.796
Copyright © Inaba Rubber Việt Nam